Marktoberdorf Blue in the Night Granit Arbeitsplatte
Aufmaß, Lieferung und Montage : Marktoberdorf
* Granit Arbeitsplatte
Aufmaß, Lieferung und Montage - Marktoberdorf Blue in the Night Granit Arbeitsplatte
Blue in the Night
Definitiv kommunikativer sind Kücheninseln im Vergleich zu an der Wand entlang angeordneten Küchenzeilen. Wer mit Vorbereiten oder Kochen beschäftigt ist, schaut dabei in den Raum, wendet den Anwesenden nicht den Rücken zu. Eine Unterhaltung kommt leichter zustande und stört auch nicht beim Kochen.
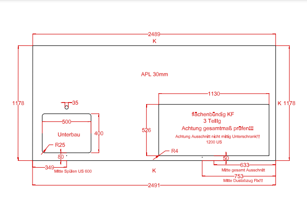
Diese schwarze Küche mit Kücheninsel hat eine einzigartige Arbeitsplatte erhalten. Die Arbeitsplatte in den Maßen 248,90 x 117,80 cm wurde aus dem Granit Blue in the Night in 3,0 cm Stärke hergestellt und in Lechbruck am See bei Marktoberdorf montiert.
In die Granit Arbeitsplatte wurde ein Unterbauausschnitt mit Radien für die Spüle eingearbeitet, sowie eine Armaturbohrung. Daneben wurde auch das 3-teilige Miele Induktionsfeld mit Wok-Mulde, Kochfeldabzug und Kochfeld in den flächenbündigen Ausschnitt eingesetzt.
Lieferung: Granit Arbeitsplatte Blue in the Night
Lieferort: Lechbruck am See bei Marktoberdorf in Bayern
Galerie - Marktoberdorf Blue in the Night Granit Arbeitsplatte
| Aktuelle - Andere Länder |
|---|
| Österreich |
| Schweiz |
| Skandinavien |
| Andere Länder |
Aufmaß, Lieferung und Montage
* mit Details und Bildern / Auf dieser Seite finden Sie unsere aktuellen Projekte. Um mehr zu erfahren klicken Sie auf die Projekte einzeln. Ist Ihre Stadt schon dabei?







